Ring SPRING
 
        - Feature
- 
                The inner and the outer wheel having a cone-shaped section do compression and extension each and simultaneously, the contact part of the inner and the outer wheel does frictional works. The ring spring uses elasticity and frictional force of the inner and the outer wheel. The load-displacement relationship of the ring spring shows a clear hysteresis because energy loss becomes big due to friction of the inner and the outer wheel. This hysteresis phenomenon is different according to the number and the shape of the contact part so a change in the spring constant of the ring spring can be obtained by increasing/decreasing the number of rings and by changing the shape, 
- Usage
- 
            For shock-absorbers of industrial equipment and of iron rollers 
- Major Materials for Ring Spring
- 
            KS(Korea)Standard JS(Japan)Standard DIN(Germany)Standard Available Springs SPS 6 SUP 10 50 Cr V4 Ordinary Use SPS 5A SUP 9A 55 Cr 3 Low Class - Any other material than described above can be used for special purpose.
- You are recommended to discuss with the engineers of Daewon Spring for the design and the material of springs
 
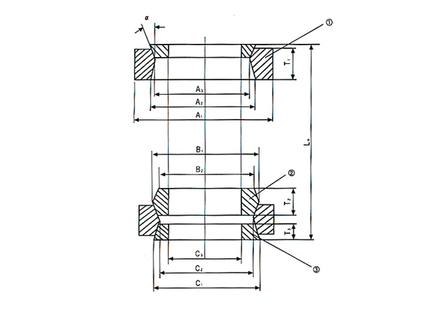
- Specification
- 
              Records of Specification in Ordering Ring Spring Classification Special Requirements Remarks Material in use Ordinary SUP 10 Choose the material based on the manufacturer’s 
 standards unless specified otherwiseOuter Ring A1 mm * The manufacturer can voluntarily change the specifications 
 for the spring, considering the features of the spring,A2 mm A3 mm T1 mm Inner Ring B1 mm B2 mm T2 mm Half Ring C1 mm C2 mm C3 mm T3 mm Free height in 
 case of
 combination (LO)mm Angle of inclination of 
 the contact part (a)도 Designation of 
 spring featuresHeight Load Management is done based on the manufacturer’s reference 
 kgf value in case there is no designated height and loadmm kgf Positive number of 
 the springkgf/mm Spring hardness 
 after heat treatmentHRC42 ~ 47 Management is done based on the manufacturer’s standards Surface treatment Natural Color Coating with rust preventive oil Use or conditions for use Record of Use Condition Indicate use, conditions for use, and environment for use 

